EN CN
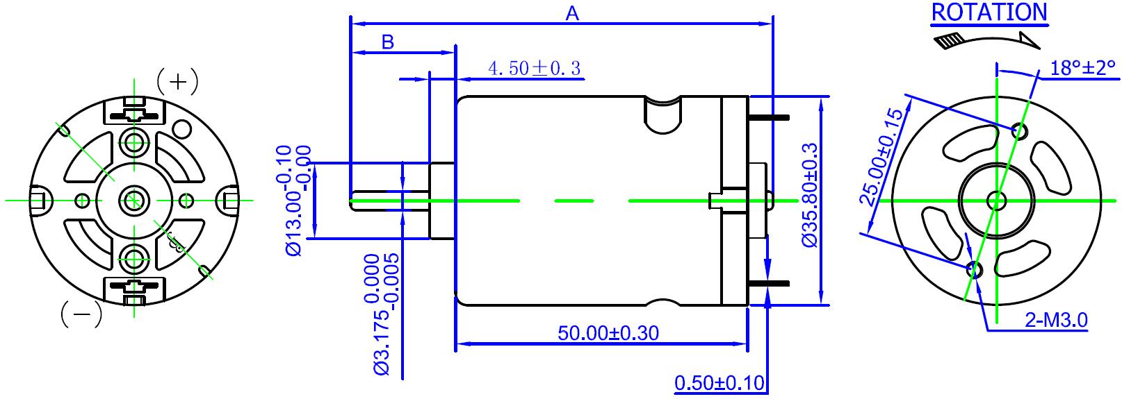
JBSD540

JBSD540

用途:

产品介绍:

产品详情