EN CN
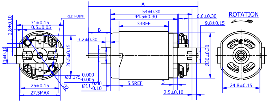
JBFD440

JBFD440

Use:

Description:

Details